油煙機單吸風機FJ-240*131(3987)
型號:FJ-240*131(3987)
分類:油煙機風機
產地:浙江省寧波市
品牌:艾譜(AIPU)
廠家:寧波艾譜風機有限公司
產品詳情
電機:110W-4P
電壓:220V
額定電流:0.94A
頻率:50HZ
風機總重:6.42Kg
風量 ≥ 17 m3/min
風壓 ≥ 290 Pa
功率 ≥ 220 W
噪音 ≤ 65 dB
轉速 ≥ 1300 r/min
直吸式吸風設計,產品風壓高,噪音低,耗電省,結構緊湊
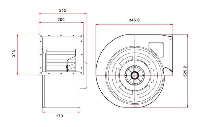
風機結構圖

性能曲線

風機性能參數表
風量 | 全壓 | 靜壓 | 電流 | 輸入功率 | 聲壓級 | 轉速 |
m3/h | Pa | Pa | A | w | dB(A) | r/min |
527 | 289 | 271 | 0.66 | 149.7 | 65.1 | 1300 |
668 | 281 | 253 | 0.75 | 168.0 | 63.2 | 1242 |
843 | 252 | 2.6 | 0.83 | 186.7 | 62.4 | 1158 |
968 | 213 | 153 | 0.91 | 205.5 | 63.0 | 1364 |
1043 | 174 | 105 | 0.98 | 221.0 | 62.3 | 952 |
上一頁:冷卻風葉FY-76*8
下一頁:油煙機單吸風機KT200